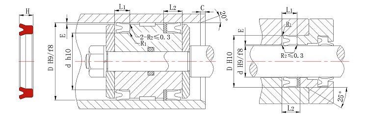
Piston Rod Seals U Cup UN
Model: DUN
Temperature: -20/+100℃
Speed: ≤0.5m/s
Pressure: ≤40MPa
- Fast Delievery
- Quality Assurance
- 24/7 Customer Service
Product Introduction
Description
U cup UN is used in a wide range of hydraulic cylinders. These seals have a symmetrical configuration of the sealing lips and are mainly used in single acting or double acting standard hydraulic cylinders, particularly for mobile hydraulics under rough operating conditions.
UN hydraulic seals is a lip seal that can be used for piston and rod seals because of the equal height of the two seal lips. The piston rod seal is the most critical seal on any type of fluid power plant, preventing fluid from leaking out of the cylinder to the outside.
Leakage through the rod seal can degrade equipment performance and, in extreme cases, environmental problems. Combined for engineering, the range of automatic hydraulic equipment for the sealing of pistons and piston rods in reciprocating hydraulic cylinders. It is used in a wide range of hydraulic cylinders. UN is a lip seal that can be used for piston and rod seals because of the equal height of the two seal lips.
Material | NBR, FKM or PU |
Color | Black, Brown, Red, Blue or Ivory |
Speed | ≤0.5m/s |
Temperature | -20 to 100℃ |
Pressure | ≤40MPa |
Medium | Mineral oil based hydraulic fluids, barely flammable hydraulic fluids, water, air and others |
Application | Mobile hydraulics, Standard cylinders, Machine tools, Injection moulding machines, Presses etc. |
Standard or can fit the groove | Comply with standard of Trelleborg-RUB,DZ-UN, RSS, MUP. |
Pressure | 160bar | 250bar | 400bar |
Max Gap E | E≤0.6mm | E≤0.5mm | E≤0.4mm |

Installation Dimension table based on Metric Size (mm)
d | D | L1 | L2 | H | R1≤ | C≥ |
20~50 | d+8 | 5 | 7 | 4 | 0.4 | 3 |
20~150 | d+6 | 6 | 8 | 5 | 0.2 | 3 |
20~50 | d+8 | 6 | 8 | 5 | 0.4 | 3 |
20~150 | d+10 | 6 | 8 | 5 | 0.8 | 3.5 |
20~50 | d+8 | 7 | 9 | 6 | 0.4 | 3 |
20~150 | d+10 | 7 | 9 | 6 | 0.8 | 3.5 |
20~50 | d+10 | 8 | 10 | 7 | 0.8 | 3.5 |
20~100 | d+8 | 9 | 11 | 8 | 0.4 | 3 |
20~100 | d+10 | 9 | 11 | 8 | 0.8 | 3.5 |
20~100 | d+12 | 9 | 11 | 8 | 0.8 | 3.5 |
20~100 | d+13 | 9 | 11 | 8 | 0.8 | 3.5 |
20~150 | d+15 | 9 | 11 | 8 | 1.2 | 5 |
20~200 | d+12 | 10 | 12 | 9 | 0.8 | 3.5 |
20~200 | d+15 | 10 | 12 | 9 | 1.2 | 5 |
20~200 | d+10 | 11 | 13 | 10 | 0.8 | 3.5 |
20~200 | d+15 | 11 | 13 | 10 | 1.2 | 5 |
d | D | L1 | L2 | H | R1≤ | C≥ |
20~200 | d+20 | 11 | 13 | 10 | 1.2 | 5 |
20~200 | d+10 | 13 | 15 | 12 | 0.8 | 3.5 |
20~250 | d+15 | 13 | 15 | 12 | 1.2 | 5 |
20~250 | d+20 | 13 | 15 | 12 | 1.2 | 5 |
20~250 | d+25 | 13 | 15 | 12 | 1.6 | 7 |
100~250 | d+15 | 17 | 20 | 15 | 1.2 | 5 |
50~350 | d+20 | 17 | 20 | 15 | 1.2 | 5 |
20~250 | d+25 | 17 | 20 | 15 | 1.6 | 7 |
20~250 | d+30 | 17 | 20 | 15 | 2.4 | 8 |
100~300 | d+20 | 18 | 21 | 16 | 1.2 | 5 |
50~300 | d+25 | 18 | 21 | 16 | 1.6 | 7 |
50~300 | d+20 | 20 | 23 | 18 | 1.2 | 5 |
50~300 | d+25 | 20 | 23 | 18 | 1.6 | 7 |
100~300 | d+30 | 20 | 23 | 18 | 2.4 | 8 |
150~400 | d+30 | 24 | 27 | 22 | 2.4 | 8 |
Feature
● High sealing performance under low pressure
● Not suitable for separate sealing
● Easy to install
● Wear-resistance, extended services life
● Resistance against extrusion


The company has 5,000 square meters of professional production plants, 2000 square meters of constant temperature and humidity production workshop, dozens (sets) of advanced production equipment.
Own a professional and technical production team and sales service team.
The selection of raw materials are international first-line brand suppliers, In order to ensure product quality, we promise that don't add waste (recycled materials) in the material.


Hot Tags: piston rod seals u cup un, China, suppliers, manufacturers, factory, customized, wholesale, Piston Rod Seals Vee Packing, ptfe o rings, o ring material, vee packing, back up ring ptfe, chevron v ring packing









