Hydraulic U Cup Rod Seals
Model: Yxd
Temperature: -35/+120℃
Speed: ≤1m/s
Pressure: ≤40MPa
- Fast Delievery
- Quality Assurance
- 24/7 Customer Service
Product Introduction
Description
U cup rod seals consists of a non symmetrical design where the diameter of the cup is oversized for the groove diameter. This excessive condition will exert ring pressure on the seal in the gland to help stabilize. U cup also uses non symmetrical lip design. The dynamic lip is thicker and more aggressive than the static lip.
Hydraulic u cup seals ideally suited for heavy-duty mobile and stationary service where leakage must be held to an absolute minimum. Its geometry is highly resistant to side loading and is insensitive to pressure spikes and reduces or eliminates leakage under severe operating conditions.
The PU materials itself feature excellent physical properties and often used in medium or high-pressure conditions. It has a strong ability to rebound to its original shape after compression without sacrificing tensile strength and the hardness levels of the hydraulic rod seal.
Material | NBR, FKM or PU |
Color | Black, Brown, Red, Blue or Ivory |
Speed | ≤1m/s |
Temperature | -35 to 120℃ |
Pressure | ≤40MPa |
Medium | Mineral oil based hydraulic fluids, barely flammable hydraulic fluids, water, air and others |
Application | Mobile hydraulics, Standard cylinders, Machine tools, Injection moulding machines, Presses etc. |
Standard or can fit the groove | Comply with standard of JB/ZQ 4265, GY1, Trelleborg-RU3 series, Parker-BS series, DZ company's D-3 series |
Pressure | 160bar | 250bar | 400bar |
Max Gap E | E≤0.6mm | E≤0.4mm | E≤0.4mm |

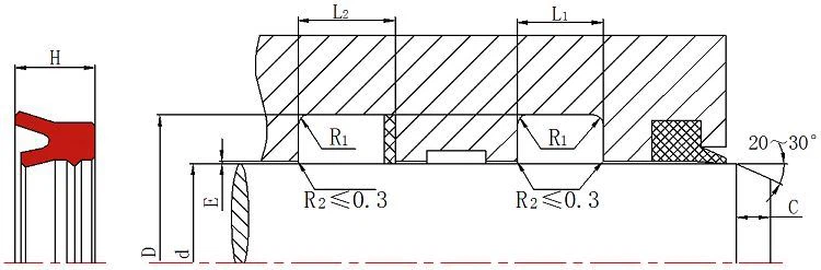
Installation Dimension table based on Metric Size (mm)
d h9 | D H9 | H | L1 +0.2 | L2 +0.2 | C≥ | R1≤ |
20~28 | d+6 | 8 | 8.5 | 11 | 3 | 0.4 |
16~55 | d+8 | 10 | 11 | 13 | 3.5 | 0.8 |
55~160 | d+12 | 14 | 15 | 17 | 5 | 1.2 |
100~300 | d+16 | 18 | 19 | 22 | 6.5 | 1.2 |
320~690 | d+24 | 24 | 26 | 29 | 7 | 1.6 |
Feature
● High-pressure resistance
● Extraordinary efficiency
● Excellent wear resistance
● Better compression performance
● Wide working temperature range
● Excellent capability in compensating the deflection of the piston rod


The company has 5,000 square meters of professional production plants, 2000 square meters of constant temperature and humidity production workshop, dozens (sets) of advanced production equipment.
Own a professional and technical production team and sales service team.
The selection of raw materials are international first-line brand suppliers, In order to ensure product quality, we promise that don't add waste (recycled materials) in the material.


Hot Tags: hydraulic u cup rod seals, China, suppliers, manufacturers, factory, customized, wholesale, u cup B3, rod seals hydraulic, Hydraulic Rod Seals Double Delta, O Ring Energized Rod Seals BA, Hydraulic Compact Rod Seals GSW, ptfe double delta seal











